微型投影RGB聚焦透鏡組
微型投影RGB聚焦透鏡組是一種復雜的光學系統,專門為微型投影設備設計,用于將紅(R)、綠(G)、藍(B)三色光精確聚焦,確保投影圖像的清晰度、色彩準確性和高分辨率。它一般由多片不同類型透鏡(雙凸、平凸、雙凹、平凹、非球面等)組合而成的復雜光學系統,專門為微型投影設備設計。它通過精密的光學設計和制造工藝,實現高質量的圖像投影,廣泛應用于微型投影儀、AR/VR設備、車載HUD等領域。1. 功能- 三色
- 型 號: 定制
- 規 格: 定制
- 材 料: 光學玻璃
微型投影RGB聚焦透鏡組是一種復雜的光學系統,專門為微型投影設備設計,用于將紅(R)、綠(G)、藍(B)三色光精確聚焦,確保投影圖像的清晰度、色彩準確性和高分辨率。它一般由多片不同類型透鏡(雙凸、平凸、雙凹、平凹、非球面等)組合而成的復雜光學系統,專門為微型投影設備設計。它通過精密的光學設計和制造工藝,實現高質量的圖像投影,廣泛應用于微型投影儀、AR/VR設備、車載HUD等領域。1. 功能- 三色
微型投影RGB聚焦透鏡組是一種復雜的光學系統,專門為微型投影設備設計,用于將紅(R)、綠(G)、藍(B)三色光精確聚焦,確保投影圖像的清晰度、色彩準確性和高分辨率。它一般由多片不同類型透鏡(雙凸、平凸、雙凹、平凹、非球面等)組合而成的復雜光學系統,專門為微型投影設備設計。它通過精密的光學設計和制造工藝,實現高質量的圖像投影,廣泛應用于微型投影儀、AR/VR設備、車載HUD等領域。
1. 功能
- 三色光聚焦:將RGB三色光匯聚到同一平面,避免色差,確保色彩疊加準確。
- 像差校正:通過多片透鏡的組合設計,校正球差、像散、畸變等光學像差。
- 高分辨率成像:優化光學性能,實現高清晰度的投影圖像。
- 小型化設計:適應微型投影儀、AR/VR設備等對體積和重量要求嚴格的應用場景。
2. 結構組成
微型投影RGB聚焦透鏡組通常由多片不同類型透鏡組合而成,常見的透鏡類型包括:
雙凸透鏡:用于聚焦光線,增強光學系統的聚焦能力。
平凸透鏡:用于減少球差,優化成像質量。
雙凹透鏡:用于發散光線,校正色差和像差。
平凹透鏡:用于校正像差,平衡光學系統的性能。
非球面透鏡:用于進一步減少像差(如球差、像散),提高成像質量。
衍射光學元件(DOE):用于色差校正和光束整形。
這些透鏡通過精密的排列和組合,形成一個完整的光學系統。
3. 工作原理
1. 光線入射:RGB三色光從光源(如LED或激光)發出,進入透鏡組。
2. 初步聚焦:通過雙凸或平凸透鏡對光線進行初步聚焦。
3. 色差校正:通過雙凹或平凹透鏡校正不同波長光的色差,確保RGB三色光聚焦在同一平面。
4. 像差優化:通過非球面透鏡進一步優化像差,提高成像清晰度。
5. 最終聚焦:光線經過多片透鏡的調整后,最終聚焦在投影面上,形成清晰、色彩準確的圖像。
4. 技術特點
- 高精度設計:透鏡的表面形狀、曲率和間距需要經過精密計算和優化。
- 鍍膜技術:透鏡表面通常鍍有增透膜,以減少光損失并提高光效率。
- 緊湊結構:透鏡組設計小巧,適應微型投影設備的體積限制。
- 熱穩定性:材料選擇需考慮熱穩定性,以應對高功率光源的熱效應。
5. 往期案例參數

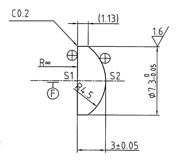
| 零件名稱 | 平凸透鏡 |
| 材料 | H-ZLAF50E |
| 中心厚度 | 3 |
| 直徑 | 7.3 |
| 偏心差 | 2 |
| 面型 | N=3,△N=1 |
| 后焦距 | 5.5 |
| 曲率半徑 | 4.5 |
| * 備注:可以根據客戶需求定制 | |

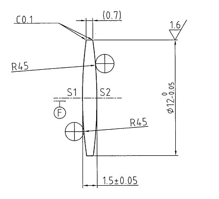
| 零件名稱 | 雙凸透鏡 |
| 材料 | H-K9L |
| 中心厚度 | 1.5 |
| 直徑 | 12 |
| 偏心差 | 2 |
| 面型 | N=3,△N=1 |
| 后焦距 | 43 |
| 曲率半徑 | 45 |
| * 備注:可以根據客戶需求定制 | |

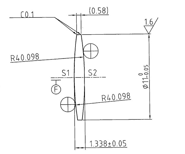
| 零件名稱 | 雙凸透鏡 |
| 材料 | H-ZF50 |
| 中心厚度 | 1.33 |
| 直徑 | 11 |
| 偏心差c | 2 |
| 面型 | N=3,△N=1 |
| 有效焦距 | 26.8 |
| 曲率半徑 | 40 |
| * 備注:可以根據客戶需求定制 | |
6. 應用場景
- 微型投影儀:用于便攜式投影設備,如手持投影儀、嵌入式投影模塊等。
- AR/VR設備:在增強現實(AR)和虛擬現實(VR)設備中,用于將圖像投射到近眼顯示屏或光學系統中。
- 車載HUD(抬頭顯示):用于將駕駛信息投射到擋風玻璃上。
- 智能穿戴設備:如智能眼鏡中的微型投影系統。
7. 技術挑戰
1. 色差校正:由于RGB三色光的波長不同,透鏡組需要有效校正色差,確保色彩準確疊加。
2. 小型化與高性能的平衡:在有限的空間內實現高分辨率、低畸變的光學設計。
3. 熱管理:微型投影設備通常功率較高,透鏡材料需要具備良好的熱穩定性。