雙凹透鏡
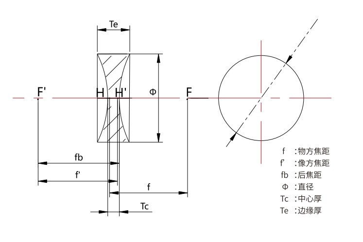
雙凹透鏡與平凹透鏡類似,可以分為沒鍍膜和鍍了可見光帶域的防反射多層膜透鏡。具有負的焦距,被用于發散一束平行光。可是平行入射的光線向外發散,雙凹透鏡的兩個側面曲率半徑相等,一般用于擴束光線,和投影等系統中增加焦距。零件名稱雙凸透鏡材料K9、光學玻璃、紫外石英、氟化鈣等焦距 (f)士2%@587.6nm尺寸公差(-0.05~0.1 mm)中心厚度公差士0.03~0.1mm中心偏30"~3&#
- 型 號: 定制
- 規 格: 定制
- 材 料: 光學玻璃
關閉
產品咨詢
客服熱線:0755-89936779
